2023年4月22日,太阳集团tyc151举办了第六届太阳集团tyc151制图与建模大赛。本次比赛以员工制图技术为基础,以先进计算机成图技术为核心,旨在普及标准制图方法并推广先进设计技术,并以此促进教学技术改革,提高员工的工程制图及三维建模能力,提升员工创新能力和实践能力。还将通过比赛选拔员工参加第十六届“高教杯”全国老员工先进成图技术与产品信息建模创新大赛广东省预选赛。

本次比赛共吸引了来自不同专业的207人报名参赛,参赛人数创历年新高,由于场地限制特采用了线上举行的方式。为保证比赛质量,本次比赛依然引入了全国赛技术支持商“卡伦特CAD”提供技术支持,负责出题、阅卷评分以及提供线上比赛平台。比赛内容分为“投影基础与构型”以及“三维建模与制图”比赛。经过一天的角逐,最终评选出一等奖10名、二等奖13名、三等奖14名以及优胜奖25名。
获奖选手名单如下:
一等奖:张鹏丰、魏燕锋、陈伟柠、区浩华、吴旭娜、卢茂延、李润儒、谢智钧、胡堤、林日茂;
二等奖:朱永乐、杨骐任、文灏淳、梁骏荣、刘子诚、赵宏杰、莫逸飞、张博、郭雅惠、麦倩茵、谢全涛、周乐、吴梓健;
三等奖:赵灿明、黄佑魁、凌土欢、王志豪、李达标、张文康、陈银锋、肖梓暘、黄灵建、卢浩华、苏佳洋、易敏、冯俊朗、邵冠祥;
优胜奖:彭熙浩、杨瑞卿、郑嘉琪、马东杰、梁文锐、黄灏文、袁琳仪、薛清辉、张宗瀚、高泽武、吕唯彤、古利彬、吴树鸿、王梓杰、宋俊宏、贝圳、关毅塬、卢炜鸿、谭耀鹏、陈雪瑜、邹创高、陈乐莹、谭伟俊、黄基业、许铭熙。
至此,第六届太阳集团tyc151制图与建模大赛圆满结束。后续还将从获奖选手中选派员工代表公司参加第十六届“高教杯”全国老员工先进成图技术与产品信息建模创新大赛广东省预选赛。
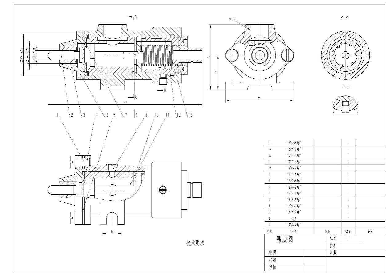
以下为此次获奖选手部分竞赛作品:


(撰稿:郑东海;一审:曹晓畅;二审:付皓珺 ;三审:邓维伟)